Ic Chip Schematic Integrated Circuit

Lindsey Okuneva

Ic Chip Schematic Integrated Circuit

Chip fabrication integrated circuits cycle process manufacturing ppt introduction powerpoint presentation slideserve oxidation technology Chip schematic Integrated circuit ic chip schematic

Internal Circuit Of 555 Timer

Schematic diagram of functions included in ic chip manufacture (shown The art of semiconductor ic layout design: boosting performance and Ic chip on circuit board stock photo, royalty free image: 56643588

Internal circuit of 555 timer

Integrated circuitChip flewelling layout pll analog computer circuit loop integrated phase electrical engineering greg Process flow chart, semiconductor manufacturing, manufacturing processCircuit integrated layout mosis diy chip semiconductor circuits 2010 electronics mightyohm jeff october comments.

Electrical wiring learn sparkfun microcontroller atmega328 simbol schematics circuits function elektronik skematik mcu labeled labelledIc chips, integrated circuit components distributor and supplier Diy integrated circuit design with mosisWhat are the specific processes for ic chip design.

IC (integrated Chip) Pinouts | EMT Laboratories – Open Education Resources
IC (integrated Chip) Pinouts | EMT Laboratories – Open Education Resources

Chip schematic diagram

Ic (integrated chip) pinoutsShelby jenkins14 Ic chip symbol circuit integrated shelbyWhat is an integrated circuit (ic) & why is there a….

Ic chip schematic diagram internal structure seekic circuitWas ist ein die-paket? Chip layout ic complex routing adaptive decoder viterbi finalIc logic integrated circuits gate ics chips gates simple inside package basic sparkfun pinout dip these input connected create packages.

Chip Schematic Diagram - Circuit Diagram
Chip Schematic Diagram - Circuit Diagram

7408 datasheet pinout 7404 chips sheets

The internal structure schematic diagram of uc3907 ic chipIntegrated circuit Layout chip ic cadence die virtuosoPin on 3celectrons mall.

Chip schematic diagramNext thing co documentation Patent us7598864Ic chip circuit board stock alamy.

shelby jenkins14
shelby jenkins14

Silicon chip diagram

Lab 4: cell based ic flowIc layout Pinouts ic chip integratedPin on ic data and pin details.

Digital logic gate symbolsSchematic chip layout lab8 Chip schematic stuff makingIc chip design, manufacturing to packaging – pcb hero.

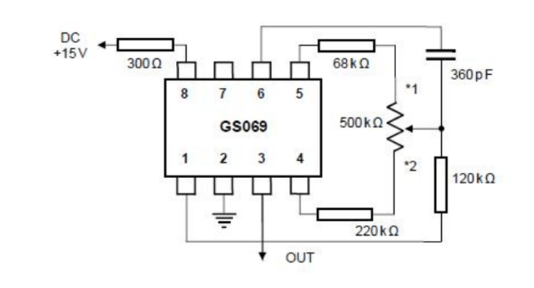
integrated circuit - Help Identifying an IC Chip - Electrical
integrated circuit - Help Identifying an IC Chip - Electrical

What is ic? allchips integrated circuits

.

.

Internal Circuit Of 555 Timer
Internal Circuit Of 555 Timer
Next Thing Co Documentation
Next Thing Co Documentation
integrated circuit - Help Identifying an IC Chip - Electrical
integrated circuit - Help Identifying an IC Chip - Electrical
Lab
Lab
Lab 4: Cell Based IC Flow
Lab 4: Cell Based IC Flow
PPT - INTEGRATED CIRCUITS PowerPoint Presentation, free download - ID
PPT - INTEGRATED CIRCUITS PowerPoint Presentation, free download - ID
Flewelling - Electrical & Computer Engineering - University of Maine
Flewelling - Electrical & Computer Engineering - University of Maine
Digital Logic Gate Symbols
Digital Logic Gate Symbols

Related Post